高溫合金緊固件螺母粗金組織分析
高溫合金緊固件螺母粗晶組織究竟是在怎樣的環境之下產生的,它與溫度的關系究竟是怎么樣的依存關系呢?
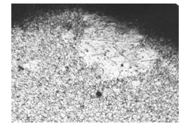
高溫合金緊固件螺母的粗晶組織
GH2036高溫合金緊固件螺母的粗晶組織與固溶溫度及保溫時間有關,螺母的晶粒晶粒度隨固溶溫度和保溫時間的增加,局部粗晶組織發育長大,螺母六方角上的粗晶組織見圖8-24;局螺母部粗晶組織見圖8-25和圖8-26。
圖8-24 局部粗晶由六方角開始長大 50 ×

圖8-25 局部粗晶組織 圖8-26局部粗晶組織

下一篇:特種彈性墊圈硬度與彈性組織的關系
上一篇:高溫合金螺栓晶界腐蝕金相分析





浙公網安備 33042402000106號 a>

